FJ Series
Filtrafine FJ series single filter housing is made of pure virgin polypropylene without talc, fillers, plasticizers and lubricants.
Therefore, the series has superior chemical compatibility which could be widely used in various industrial applications.
Therefore, the series has superior chemical compatibility which could be widely used in various industrial applications.
Model :
FJ
Materials of Construction
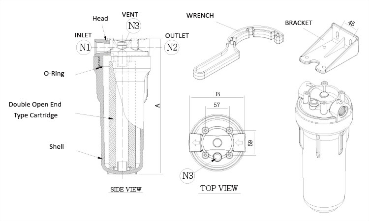
Head: Virgin Polypropylene
Bowl: Virgin Polypropylene
Mounting Bracket with Screw (optional) : Polypropylene (Black), 304 Stainless Steel
Housing Wrench (optional) : Polypropylene (Black)
Gaskets / O-rings : Viton (standard),
Buna-N(optional), EPDM (optional)
Bowl: Virgin Polypropylene
Mounting Bracket with Screw (optional) : Polypropylene (Black), 304 Stainless Steel
Housing Wrench (optional) : Polypropylene (Black)
Gaskets / O-rings : Viton (standard),
Buna-N(optional), EPDM (optional)
Dimensions
Inlet/ Outlet: 3/4' NPT or 3/4' PT
Maximum Operating Pressure
・150 psig (10 bar) @ 77°F (25°C)
・92 psig (6.3 bar) @ 122°F (50°C)
The translucent appearance provides visual confirmation of a positive cartridge and housing sealing.
FJ series offers higher operating pressure and standard 10' length for double open end or inner o-ring type (Code 10) filter cartridge.
FDA Listed Material
Manufactured from materials which are FDA listed for food contact applications in title 21 of the U.S. code of federal regulations.
|
Model |
Max. Liquid Flow Rate
gpm (lpm)
|
Dimension |
Weight
lbs (kg)
|
||||
| A | B | N1 | N2 | N3 | |||
|
FJ10P-3/4 |
10(37.9lpm) |
12.7"(324) |
5.2"(131) |
3/4" |
3/4" |
1/4" |
2.3lbs (1.05kg) |