• EJ Series
  • EJ Series
  • EJ Series

EJ Series

Filtrafine EJ series single filter housing has superior chemical compatibility which could be widely used in various industrial applications.

EJ series offers standard 10'' length for double open end or Code 10 filter cartridge.
Model : EJ

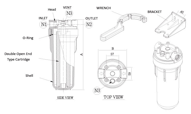
Materials of Construction
Head: Reinforced Polypropylene (Blue)
Bowl: Styrene Acrylonitrile (Clear),
          Polypropylene (Blue)

Mounting Bracket with Screw (optional) : Polypropylene (Black)
Housing Wrench (optional) : Polypropylene (Black)
Gaskets / O-rings: Buna-N (standard)
                              EPDM(Optional), Viton (Optional)




Dimensions

Inlet/ Outlet: 3/4' PT or 3/4' NPT




Maximum Operating Pressure

EJ-P : 150 psig (10 bar) @ 77°F (25°C) in liquid se rvice.
・EJ-C : 100 psig (7 bar) @ 77°F (25°C) in liquid ser vice.


EJ series housing has two materials, EJ-P 100% Polypropylene and EJ-C-Clear Styrene Acrylonitrile Shell.


Model
Max. Liquid Flow Rate
gpm (lpm)

Dimension
Inch (mm)

Weight
lbs (kg)
A B N1 N2 N3
EJ10P-3/4
10 (37.9lpm)
12.7"(324)
5.2"(131)
3/4"
3/4"
Push Button
2.5lbs (1.15kg)
EJ10C-3/4
10 (37.9lpm)
12.7"(324)
5.2"(131)
3/4"
3/4"
Push Button
2.8lbs (1.27kg)







Related Products

Top-Flow Series

Top-Flow Series

Top-Flow 334 Series

Top-Flow 334 Series

FJ Series

FJ Series

DJ-P Series

DJ-P Series